• Предмет: Физика
  • Автор: NIK6686
  • Вопрос задан 2 года назад

Ребят, помогите пожалуйста.
Сейчас сдаю сессию, а по физике я практически ноль.
Кто может хотя бы первую решите, заранее спасибо! ​

Приложения:

Ответы

Ответ дал: alex080297
1

Ответ:

Объяснение:

1.Дано:

m=9.1*10⁻³¹ кг

a=2*10¹² м/с

q=-1.6*10⁻¹⁹Кл

Решение:

m*a=|q|*E

E=(m*a):|q|=9.1*10^-31*2*10^12:1.6*10^19=11.375 Н

Ответ:11,375 Н

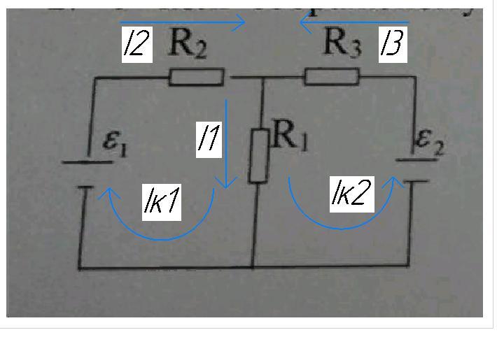
2 Задача:

1.Обозначим направление токов в узле

2.Обозначим направление токов в контуре

3.Составим уравнения по законам Кирхгофа

По 1 закону количество уравнений определяется как у-1, где у-количество узлов, в данном случае у нас 2 узла, то есть по 1 закону Кирхгофа необходимо составить 1 уравнение

-I1+I2+I3=0

Cоставим уравнение по 2 закону Кирхгофа : Количество уравнений определяется как в-у+1, где в-число ветвей у-число узлов

в=3 у=2

3-2+1=2 уравнения по 2 закону:

I1R1+I2R2=E1

I1R1+I1R3=E2

Составляем  матричную систему

       -1      1      1

A=  100   50   0

      100    0   80

    0

B=1.5

     1

I1=0.01

I2=0.01

I3=0

Проверка:

-0,01+0,01+0=0 0=0

0,01*100+0,01*50=1,5

0,01*100+0*80=1

Ответ: I1=0.01 А  I2=0.01 А I3=0А

Приложения:
Вас заинтересует