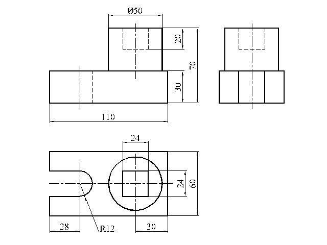
как это нарисовать???
Схематично, главный вид, вид с боку и сверху!! 50 баллов!! Пожалуйста!! Спасибо всем!!
Приложения:

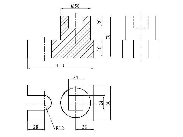
Ответы
Ответ дал:
4
Ответ:
Объяснение:
+++++++++++++++++++++++
Приложения:


Вас заинтересует
1 год назад
1 год назад
1 год назад
1 год назад
3 года назад
3 года назад
8 лет назад