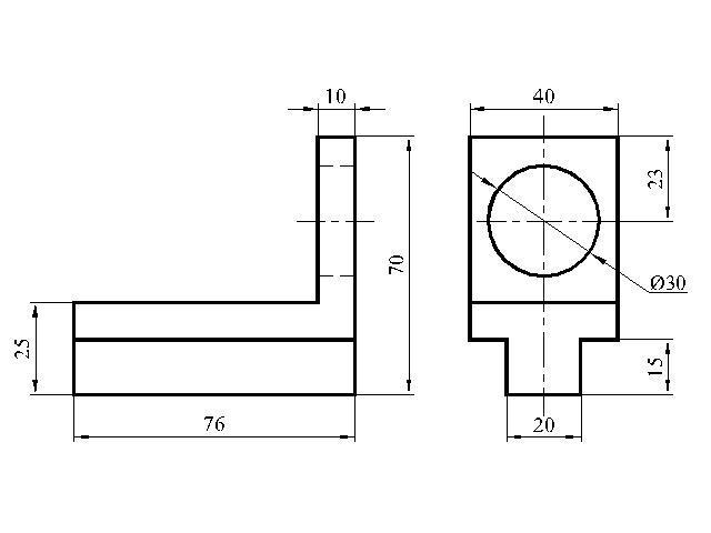
Задание:по аксонометрической проекции предмета постройте чертёж в необходимом количестве видов.ОПОРА СТАЛЬ .Помогите пожалуйста
Приложения:

Ответы
Ответ дал:
1
Ответ:
Объяснение:
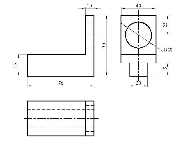
Достаточно двух видов: главного (спереди) и слева.
Приложения:


Вас заинтересует
1 год назад
1 год назад
1 год назад
3 года назад
3 года назад
8 лет назад