Ответы
Ответ дал:
1
Ответ:
Объяснение:
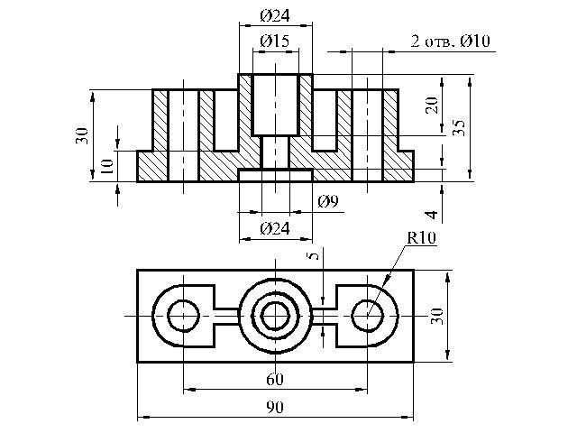
Главный вид (спереди) заменила фронтальным разрезом.
Приложения:

maria5464:
спасибо большое
Вас заинтересует
1 год назад
1 год назад
1 год назад
1 год назад
3 года назад
3 года назад
8 лет назад
8 лет назад