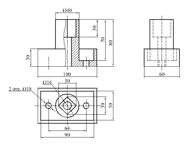
построить 3 вид, выполнить аксонометрию с вырезом 1/4​

Приложения:

Ответы

Ответ дал: Букса
3

Ответ:

Объяснение:

++++++++++++++++

Приложения:
Вас заинтересует