Ответы
Ответ дал:
0
Ответ:
Объяснение:
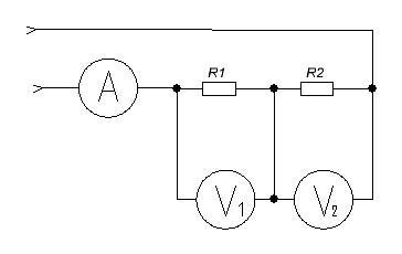
I=0.5A
U1=4B
U2=12B
R1=?
R2=?
R=?
R1 = U1 / I = 4 / 0.5 =8 Ом
R2 = U2 / I = 12/0.5 =24 Ома
R=R1+R2 = 8+24 = 32 Ома
Приложения:

Вас заинтересует
2 года назад
2 года назад
3 года назад
3 года назад
8 лет назад
9 лет назад