Задание по изо и черчению, надо сделать два чертежа по заданию, плачу много, помогите!!!
Приложения:

Ответы
Ответ дал:
1
Ответ:
Объяснение:
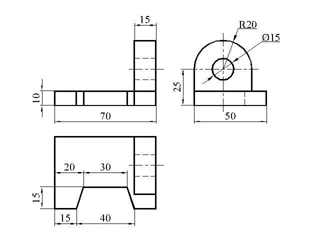
Во втором задании допущена ошибка - не хватает линии на главном виде, без нее теряется смысл, а возможно, изображены лишние линии.
Приложения:


nephrit75:
можешь сказать размеры 3-его вида?
Вас заинтересует
1 год назад
1 год назад
1 год назад
3 года назад
3 года назад
8 лет назад
8 лет назад