Помогите, пожалуйста! Даю 20 баллов!!! Очень нужно! Физика
В освітлювальну мережу напругою 220 В треба ввіминути 4 однакові лампи, що дають повне розжарення при напрузі 110 B. Як з'єднати лампи, щоб вони не пригоріли під час вмикання іх у мережу?
Ответы
В осветительную сеть напряжением 220 В надо включить 4 одинаковых лампы, дающих полный накал при напряжении 110 B. Как соединить лампы, чтобы они не перегорели во время включения их в сеть?
------------------------------------
Нормальную работу двух таких ламп в сети с напряжением 220 В обеспечит последовательное подключение.
Напряжение на каждой лампе в этом случае:
U₁ = U₂ = U/2 = 220 : 2 = 110 (B)
Проверим это утверждение.
Сопротивление каждой лампы:
R₁ = U₁²/P₁ = 12100 : P₁
Общее сопротивление двух ламп при последовательном подключении:
R = R₁ + R₁ = 2R₁ = 24200 : P₁
Сила тока в каждой лампе:
I = I₁ = I₂ = U/R = 220 · P₁ : 24200 = P₁ : 110
Напряжение на каждой лампе:
U₁ = U₂ = I·R₁ = I·R₂ = P₁/110 · 12100/P₁ = 12100 : 110 = 110 (B)
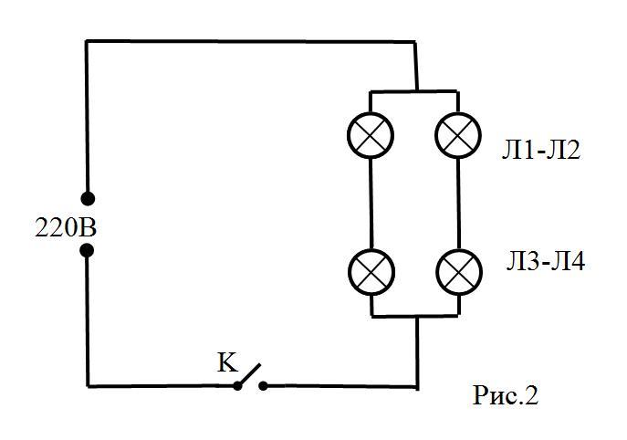
Вторая пара ламп подключается параллельно первой паре. См. рис. 2
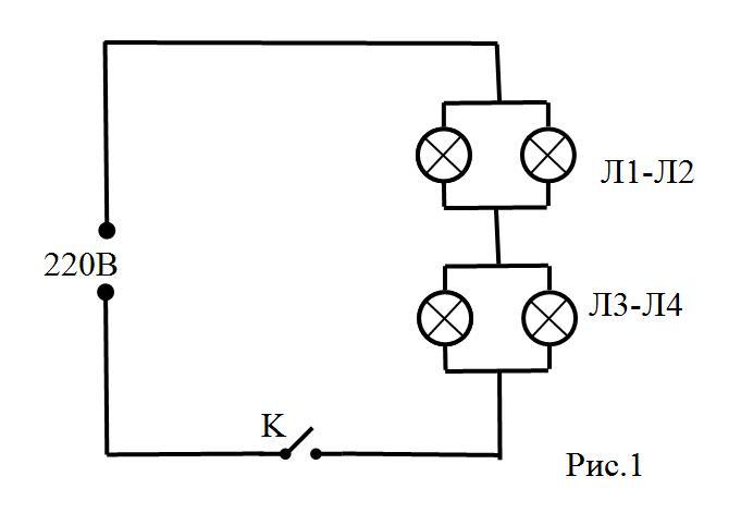
Вторая возможная схема подключения с тем же результатом показана на рис. 1
Общее сопротивление всех четырех ламп в обоих случаях равно сопротивлению одной лампы.

