• Предмет: Математика
  • Автор: Holiday83
  • Вопрос задан 8 лет назад

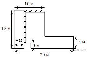
На рисунке изображён план сада, вдоль периметра которого нужно вырыть канаву.



Какова будет длина канавы? Ответ дайте в метрах.

Приложения:

Ответы

Ответ дал: Pepino
0

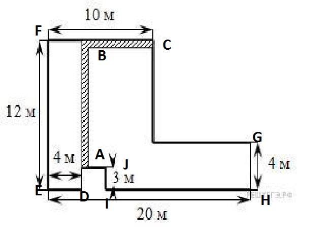
Ответ:

15 м

Пошаговое объяснение:

Длина канавы равна: Lкан = АB + BC

АB = EF – IJ = 12 – 3 = 9 м

BC = FC – ED = 10 – 4 = 6 м

Lкан = 9 + 6 = 15 м

Приложения:
Вас заинтересует