Ответы
Ответ дал:
1
Ответ:
Объяснение:
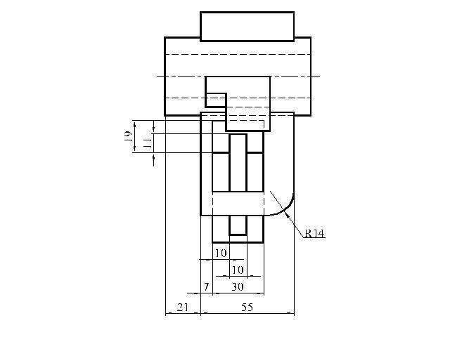
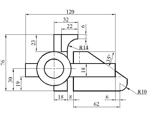
Как-то так. Не поняла некоторые размеры к чему они относятся. Отверстие или сквозное или глубиной 13 мм, но тогда не хватает линий.
Так же это относится к ступенчатой выемке - не хватает линий в задании.
Извините, если что не так.
УДАЧИ!!!
Приложения:
Вас заинтересует
2 года назад
2 года назад
2 года назад
3 года назад
3 года назад
9 лет назад