Инженерная графика! Помогите, пожалуйста.
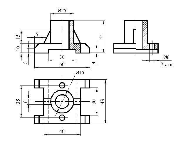
Перечертить два вида детали. Выполнить горизонтальный разрез на виде сверху. Поставить размеры.
Приложения:
Ответы
Ответ дал:
2
Ответ:
Объяснение:
Сделала фронтальный и профильный разрезы, т.к. горизонтальный делать не целесообразно (не будет нести никакой информации).
На втором чертеже сделала соединение 1/2 вида с 1/2 разреза
Приложения:
makruhanastya:
Большое спасибо!
Вас заинтересует
2 года назад
2 года назад
2 года назад
3 года назад
3 года назад
9 лет назад