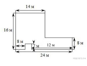
Сколько кубометров воды понадобится, чтобы заполнить этот пруд? На 1 м2 поверхности требуется 4 м3 воды.
Приложения:

Ответы
Ответ дал:
0
Ответ:
Пошаговое объяснение:
Считаем площадь поверхности пруда
S = 16×14 + (24-14)×8 - (24-8-12)×7 = 224 + 80 - 28 = 276 (м²) - площадь поверхности пруда
276 × 4 = 1104 (м³) - потребуется воды
Вас заинтересует
2 года назад
2 года назад
3 года назад
3 года назад
8 лет назад
9 лет назад
9 лет назад