ПОМОГИТЕ, ДАМ 65 БАЛЛОВ
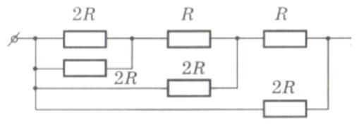
1)Вычислите сопротивление цепи при смешанном соединении, если R=1 Ом.
2)На каком из резисторов выделяется большее количество теплоты при протекании в цепи электрического тока? Определите количество теплоты, которое выделится на этом резисторе за 1 минуту, если напряжение в цепи 5 В.
3)Проводник AB имеет длину 1 м. На его концах напряжение 20 В. Определите напряжение между точками A и E и точками C и D.
4)В первом доме вся проводка сделана из меди, во втором доме из вольфрама, а в третьем - из алюминия. В каком из них электроприборы будут работать хуже всего и почему? Сечение проводов в трех домах одинаковое.
5)Изобразите магнитное поле проводника с током.
Приложения:




Ответа на этот вопрос пока нет. Попробуйте найти его через форму поиска.
Вас заинтересует
2 года назад
3 года назад
3 года назад
8 лет назад
8 лет назад
9 лет назад