Баллов щедро, товарищи-студенты, выручайте!))
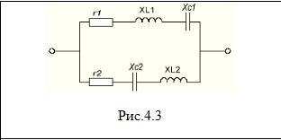
Цепь присоединена к сети напряжением U и частотой f= 50 Гц.
1.Начертите схему электрической цепи и определите: а) токи в параллельных ветвях и ток в неразветвленной части цепи; б) коэффициент мощности каждой ветви и всей цепи; в) углы сдвига фаз токов относительно напряжения сети; г) активную, реактивную и полную мощности цепи.
2.Постройте векторную диаграмму.
3. В общем виде в логической последовательности покажите, как повлияет изменение указанной в таблице величины на параметры: g1, b1, y1, g2, b2, y2, I1,I2, I
U-380 В
r1-35 Ом
XL1-45 Ом
XС1-40 Ом
r2-40 Ом
XL2-50 Ом
XС2-300 Ом
Приложения:

Ответа на этот вопрос пока нет. Попробуйте найти его через форму поиска.
Вас заинтересует
2 года назад
3 года назад
8 лет назад
8 лет назад