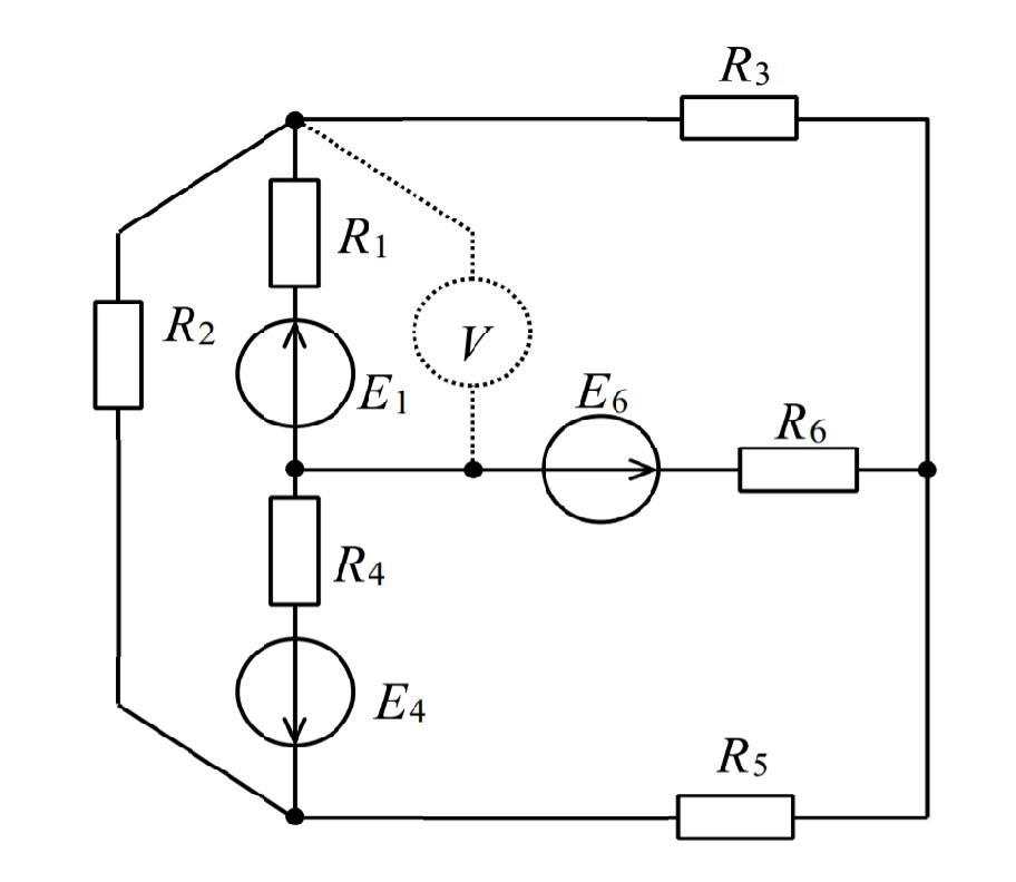
Определить токи в ветвях методом наложения
E1=-44
E4=17
E6=87
R1=18; R2=15; R3=40; R4=24; R5=48; R6=30;
Приложения:
Ответа на этот вопрос пока нет. Попробуйте найти его через форму поиска.
Вас заинтересует
2 года назад
2 года назад
3 года назад
3 года назад
9 лет назад
9 лет назад
10 лет назад
10 лет назад