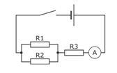
Сила тока, протекающая через амперметр 2 А. Определите общее напряжение во всей цепи, если сопротивление каждого резистора 2 Ом
Приложения:
Ответа на этот вопрос пока нет. Попробуйте найти его через форму поиска.
Вас заинтересует
2 года назад
2 года назад
3 года назад
3 года назад
9 лет назад
9 лет назад
10 лет назад
10 лет назад