Помогите пожалуйста!!!!!!!! начертить 3 вида для любого из рисунков на выбор очень срочно !!!!!!!!!!!! !!!!!!!!!!!!!!!!!!!!!!!!!!!!!!!!!!!!!! прошу НАЧЕРТИТЕ!!!!!!!!!!!!!!!!!!!!! СТАВЛЮ 5 ЗВЕЗД!!!!!!!!!!!!!!!!!!!!!!!!!!!
ЕСЛИ НЕ СЛОЖНО ПОЖАЛУЙСТА ОЧЕНЬ НУЖНО ЛЮБОЙ ИЗ ЭТИХ РИСУНКОВ
Приложения:
Ответы
Ответ дал:
1
Ответ:
Объяснение:
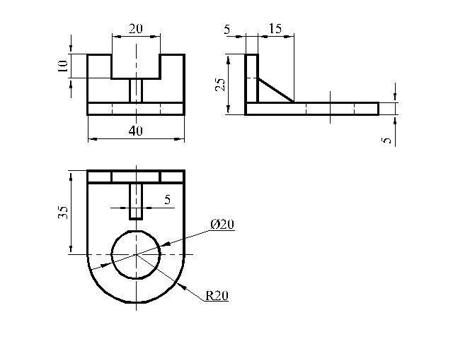
Выполнила задание № 5
Это сборочный чертеж, состоящий из трех деталей.
Приложения:
volynecdara1:
спасибо очень выручили
Удачи Вам!
Вас заинтересует
2 года назад
2 года назад
3 года назад
9 лет назад