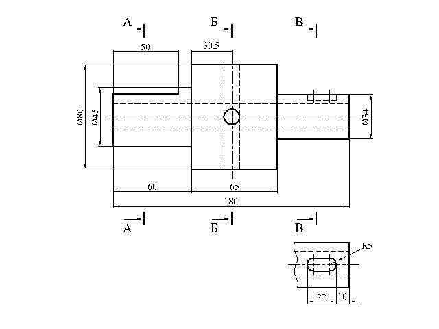
Помогите пожалуйста с черчением. Построить сечение

Приложения:

Ответы

Ответ дал: Букса
1

Ответ:

Объяснение:

+++++++++++++++++++

Приложения:

Патриот48: https://znanija.com/task/35556425 помогите пожалуйста
Патриот48: https://znanija.com/task/35556425 помогите пожалуйста, заранее вам огромное спасибо
Вас заинтересует