Ответы
Ответ дал:
0
Ответ:
Объяснение:
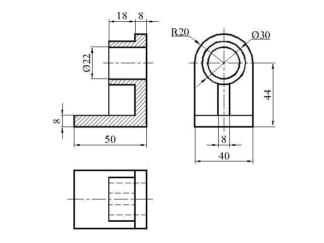
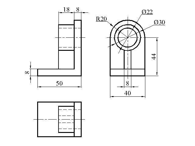
На втором чертеже сделала фронтальный разрез.
Приложения:
Вас заинтересует
2 года назад
2 года назад
2 года назад
2 года назад
3 года назад
9 лет назад
9 лет назад