Ответы
Ответ дал:
1
Ответ:
Объяснение:
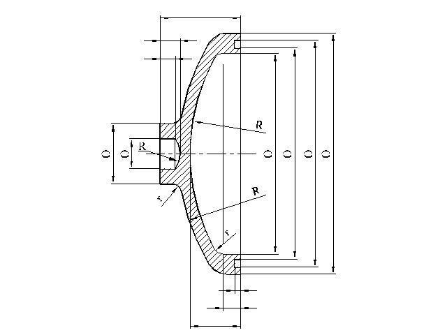
Начертила, примерно, как должен выглядеть чертеж и какие указать размеры. Для этой детали достаточно одного вида, в данном случае фронтального разреза.
Приложения:
Njk777:
Можешь пожалуйста помочь ещё с одним вопросом
Вас заинтересует
2 года назад
2 года назад
2 года назад
2 года назад
3 года назад
3 года назад
9 лет назад