• Предмет: Физика
  • Автор: fghjkfdggl
  • Вопрос задан 2 года назад

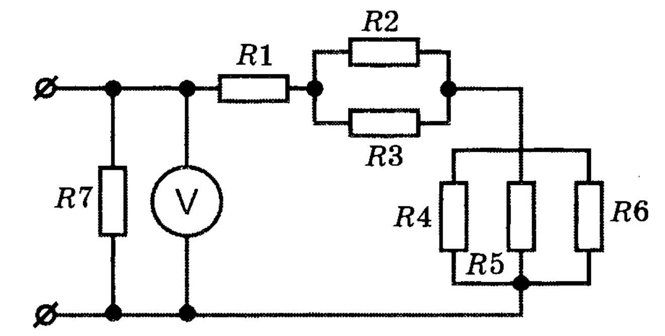
Найдите мощность тока, протекающего чере резистор R3 в цепи, изображенной на рисунке, если вольтметр показывает 110 В, а R1=6,4 Ом, R2=4 Ом, R3=12 Ом, R4=6 Ом, R5=3 Ом, R6=8 Ом, R7=20 Ом. Ответ запишите без единиц измерения.

Приложения:

Ответы

Ответ дал: lekerovaliza
1

Ответ:

Объяснение:

Для определения тока , потребляемого этой цепью, вычислим сопротивления участков цепи.

Параллельно включенные R2 и R3 можно заменить сопротивлением по формуле

1/R2-3 = 1/R2+1/R3 = 1/4+1/12 = 1/3 Тогда R2-3=3 [Ом]

Аналогично для второго участка с параллельным соединением получаем

1/R4-6 = 1/R4+1/R5+1/R6 = 1/6+1/3+1/8 = 5/8  Тогда R4-6=8/5=1,6 [Ом]

Теперь получим сопротивление последовательного соединения

R1-6 = R1+R2-3+R4-6 = 6,4+3+1,6=11 [Ом]

Токи определим по закону Ома для участка цепи

I7=U/R7=110/20=5,5 [A]

I1-6=U/R1-6=110/11=10 [A]

Общий ток I=I7+I1-6=5,5+10=15,5 [A]

Рассчитаем токи и напряжения на отдельных элементах

U1=I1*R1=I1-6*R1=10*6,4=64 [B]

U2-3= I1-6*R2-3=10*3=30 [B]

I2=U2-3/R2=30/4=7,5 [A]

I3=U2-3/R3=30/12=2,5 [A]

Для второго параллельного участка

U4-6= I1-6*R4-6=10*1,6=16 [B]

I4=U4-6/R4=16/4=7,5 [A]

I5=U4-6/R5=16/3=5,33 [A]

I6=U4-6/R6=16/8=2 [A]

Для проверки используем соотношение

U1+U2-3+U4-6 = 64+30+16 = 110 [B] = U

Вас заинтересует