Школьные Знания.com
Какой у тебя вопрос?
Vava684
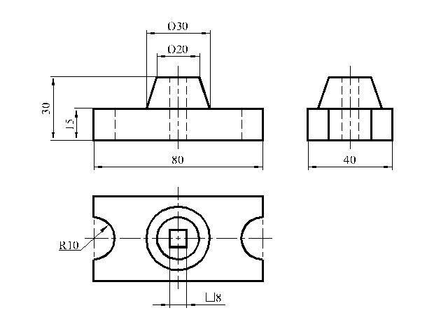
ЧЕРЧЕНИЕ ПОМОГИТЕ!!! ( НАДО 3 ВИДА ПРОЕКЦИИ, вид фронтальный, сверху и слева))(На листе формата А4 выполните чертеж детали по описанию в необходимом количестве видов и нанесите размеры: деталь представляет собой прямоугольный параллелепипед (длина - 80 мм, ширина - 40 мм, высота - 15 мм), в центре верхней грани которого вертикально расположен усеченный конус (диаметр нижнего основания конуса - 30 мм, верхнего - 20 мм, высота - 15 мм). Вдоль оси вращения конуса проходит сквозное отверстие, имеющее форму правильной прямой четырехугольной призмы, сторона основания которой равна 8 мм. В торцовых гранях прямоугольного параллелепипеда расположены полуцилиндрические пазы, радиус которых равен 10 мм. Деталь симметрична относительно двух плоскостей симметрии.
Ответы
Ответ дал:
1
Ответ:
Объяснение:
Извините в предыдущем ответе я допустила ошибку - удалите тот ответ.
Сейчас исправила и добавила вид слева, только у Вас в задании написано: "в необходимом количестве видов", так вот в данном случае вид слева можно не чертить.
Приложения:

Вас заинтересует
1 год назад
1 год назад
3 года назад
3 года назад
8 лет назад