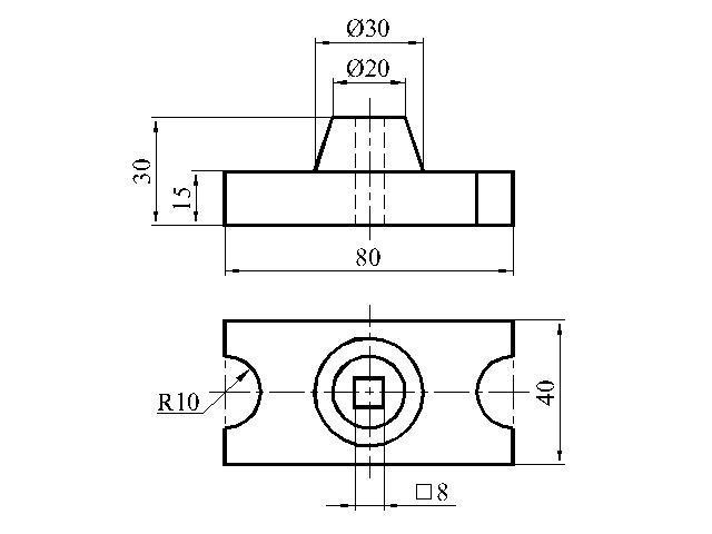
ЧЕРЧЕНИЕ ПОМОГИТЕ!!! ( НАДО 3 ВИДА ПРОЕКЦИИ, вид фронтальный, сверху и слева))(На листе формата А4 выполните чертеж детали по описанию в необходимом количестве видов и нанесите размеры: деталь представляет собой прямоугольный параллелепипед (длина - 80 мм, ширина - 40 мм, высота - 15 мм), в центре верхней грани которого вертикально расположен усеченный конус (диаметр нижнего основания конуса - 30 мм, верхнего - 20 мм, высота - 15 мм). Вдоль оси вращения конуса проходит сквозное отверстие, имеющее форму правильной прямой четырехугольной призмы, сторона основания которой равна 8 мм. В торцовых гранях прямоугольного параллелепипеда расположены полуцилиндрические пазы, радиус которых равен 10 мм. Деталь симметрична относительно двух плоскостей симметрии.
Ответы
Ответ дал:
3
Ответ:
Объяснение:
++++++++++++++++++++++
Приложения:


Vava684:
надо 3 й вид слева
Вас заинтересует
1 год назад
1 год назад
1 год назад
1 год назад
3 года назад
8 лет назад