выполнить 3 вида корпуса с сохранением пропорций предмета.нанесите размеры
Приложения:
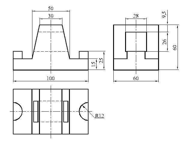
Букса:
Начертить три вида этой детали? или изменить ее, убрав заштрихованную часть и сделать выемки радиусом 12 мм?
начертить
Ответы
Ответ дал:
1
Ответ:
Объяснение:
+++++++++++++++++++++++++++++++
Приложения:
Вас заинтересует
1 год назад
2 года назад
9 лет назад