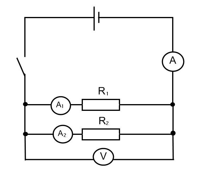
Сила тока в проводнике R1 равна 3 А, а в проводнике R2 равна 2 А. Определите показания амперметра, включенного в неразветвленную часть цепи. Чему равно падения напряжения на резисторе R1, если его величина 1 Ом?
Ответы ввести в виде целых чисел, через запятую, без пробелов и размерности. Сначала величину тока, потом напряжения.
Приложения:

Ответа на этот вопрос пока нет. Попробуйте найти его через форму поиска.
Вас заинтересует
2 года назад
3 года назад
3 года назад
8 лет назад
8 лет назад