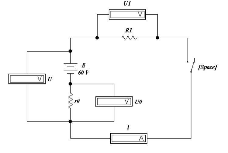
Можете узнать показания вольтметров и амперметра(и пожалуйста напишите каким способом вычислять(формулу)) Дано: R1=70,r0=4 E=250(не уверен нужно ли Е)
Приложения:
Ответа на этот вопрос пока нет. Попробуйте найти его через форму поиска.
Вас заинтересует
2 года назад
3 года назад
3 года назад
9 лет назад
10 лет назад
10 лет назад