Ответы
Ответ дал:
0
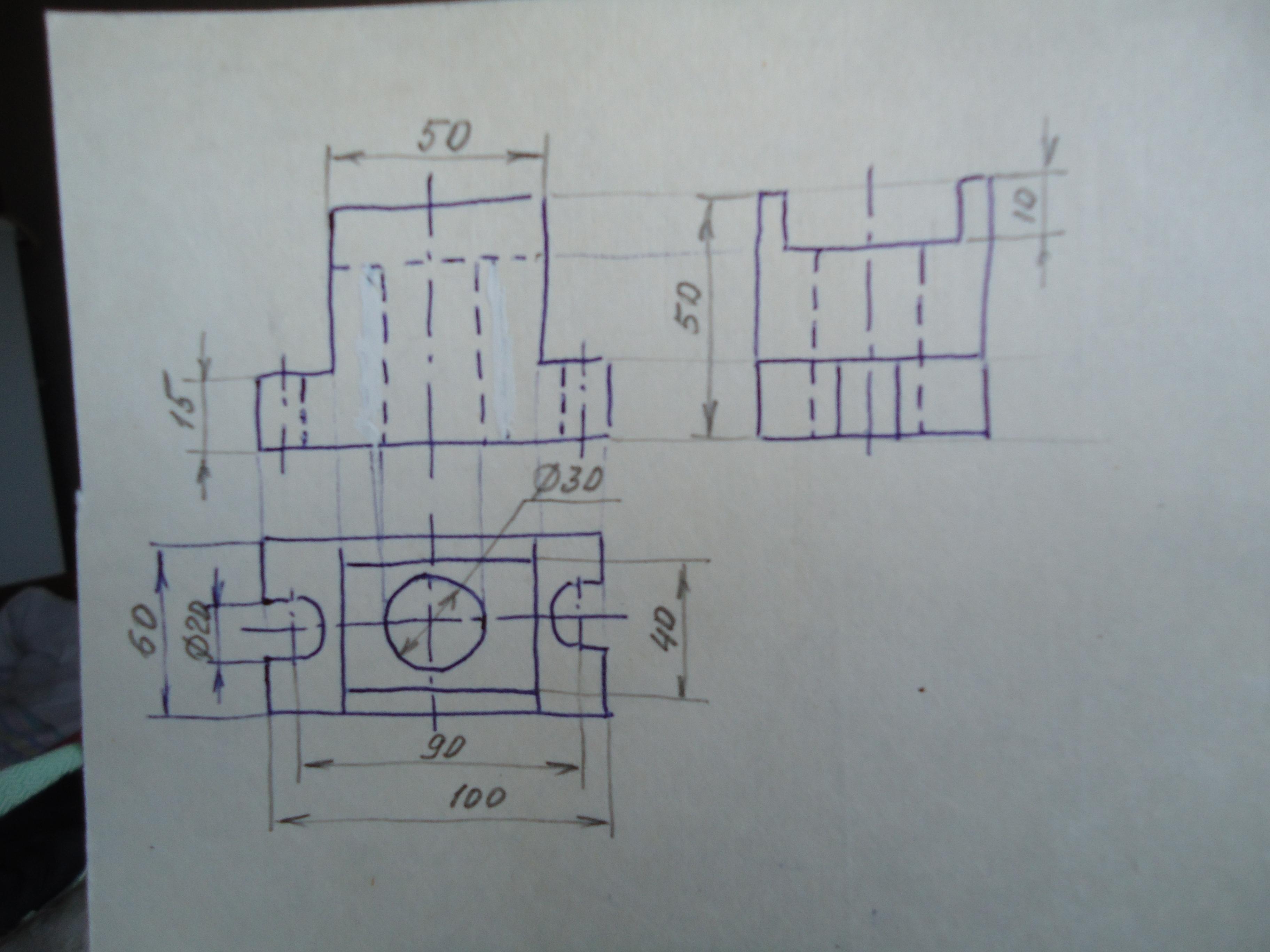
Ответ: Комплексный чертёж см. на фото.
Объяснение:
Чертёж из трёх проекций выполнен от руки.
Необходимыми и достаточными были бы два вида (вид спереди и вид сверху), но глубину верхней выемки нельзя показывать от штриховой линии, поэтому выполнены три вида.
Один размер на изометрической проекции детали лишний, поэтому число размеров меньше на один.
Т.к. деталь имеет оси симметрии, размеры правильнее располагать с учётом симметрии детали. Поэтому указан размер между цетрами маленьких полуокружностей, а не удаление центра от края детали.
Надеюсь, что помогла.
Приложения:

kingwolfrap:
Здравствуйте, у меня в вопросах тесты по черчению, по вопросу по 100 баллов, помогите, пожалуйста.
Вас заинтересует
1 год назад
1 год назад
1 год назад
3 года назад
8 лет назад