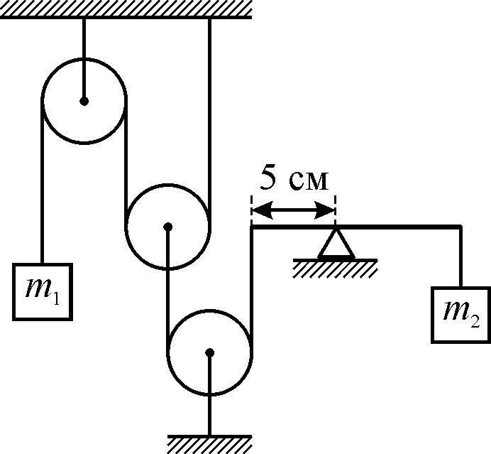
На рисунке представлена система, состоящая из блоков, нерастяжимых нитей, двух грузов массами m1 = 40 г и m2 = 20 г, а также жёсткой однородной линейки длиной 20 см. Блоки и нити невесомые, трение отсутствует. Участки нитей, не лежащие на блоках, вертикальны.
Найдите массу линейки, если система покоится, линейка расположена горизонтально, а расстояние от левого конца линейки до упора составляет 5 см. Ответ выразите в граммах, округлите до целого числа.
Ответ
Груз m2 меняют на другой груз массой M2 = 100 г. Найдите, каким должно быть новое расстояние от левого конца линейки до упора для того, чтобы система оставалась в равновесии, и линейка располагалась горизонтально. Ответ выразите в сантиметрах, округлите до целого числа.

Ответы
Ответ:
1. Масса линейки 20 г
2. Новое расстояние от левого конца линейки до опоры 11 см
Объяснение:
1.
m₁ = 40 г
m₂ = 20 г
L = 20 см
x₁ = 5 cм
---------------------------
m₃ - ?
--------------------------
Расстояние от груза m₂ до опоры линейки
х₂ = L - x₁ = 20 - 5 = 15 (см)
Расстояние от центра тяжести линейки до опоры
х₃ = 0.5L- x₁ = 0.5 · 20 - 5 = 5 (cм) (центр тяжести линейки находится справа от опоры)
Линейка горизонтальна и находится в равновесии
Сумма моментов относительно опоры равна нулю:
Cмла натяжения T₂ нити, удерживающей линейку в горизонтальном положении, равна
T₂ = (m₂g · x₂ + m₃g · x₃) : x₁ (1)
Cила натяжения нити между нижним и средним блоками также равна
Т₂
Сила натяжения нити соединяющей верхний и средний блоки равна
Т₁ = m₁g
Средний блок радиуса R находится в равновесии, поэтому
Т₁ · 2R = T₂ · R
Откуда
T₂ = 2T₁
или
T₂ = 2m₁g (2)
Приравняем правые части выражений (1) и (2)
2m₁g = (m₂g · x₂ + m₃g · x₃) : x₁ (3)
откуда
=======================================================
======================================================
2.
m₁ = 40 г
m₂ = 100 г
m₃ = 20 г
L = 20 см
------------------------------
х₁ - ?
----------------------------
Расстояния х₂ и х₃ теперь неизвестны.
х₂ = L - x₁
Предположим, что центр тяжести линейки находится слева от опоры, тогда
x₃ = x₁ - 0.5L
Уравнение равновесия тогда имеет вид
2m₁g · x₁ + m₃g · (x₁ - 0.5L) = m₂g · (L - x₁)
Раскроем скобки и сократим на g
2m₁g · x₁ - 0,5m₃g · L + m₃g x₁ = m₂g · L - m₂g · x₁
Преобразуем выражение
х₁ · (2m₁ + m₂ + m₃) = L · (m₂ + 0.5 m₃)
Откуда найдём расстояние х₁ от левого конца линейки до опоры
Тогда x₂ = 20 - 11 = 9
x₃ = 11 - 0.5 · 20 = 1
Проверим условие равновесия
2m₁ · x₁ + m₃· x₃ = m₂ · x₂
2 · 40 · 11 + 20 · 1 = 100 · 9
900 ≡ 900
Следовательно, предположение о месте центра тяжести линейки было правильным.