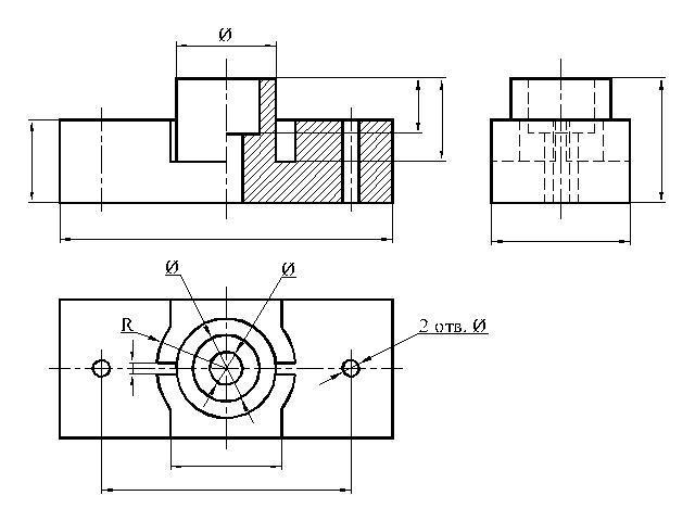
Нужно проставить размеры

Приложения:

irinatejikova: Как
Аноним: Просто сами линии где нужно, без цифр

Ответы

Ответ дал: Букса
1

Ответ:

Объяснение:

+++++++++++++++++++++

Приложения:

Аноним: огромное спасибо!! ♥♥♥
Букса: Удачи Вам!
Аноним: а можно с вами связаться как то? (почта, или сообщение на этом сайте)
Аноним: просто экзамен будет скоро, я хотела попросить вашей помощи
Букса: Извините, но за указание своих данных - наказывают.
Аноним: а вы будете свободны 3 числа в 10 утра?
Букса: Постараюсь. Всё будет хорошо.
Аноним: Здравствуйте снова, в общем, экзамен будет завтра в 8 (если по московскому времени) дадут деталь и надо будет ее нарисовать в 3х видах с размерами, времени дают всего час, вы сможете зайти на сайт в это время ? Я буду делать как сама знаю, а потом сверю с вашим ответом
Букса: В 8-00 - буду ждать Ваше задание. Удачи Вам!!!
Вас заинтересует