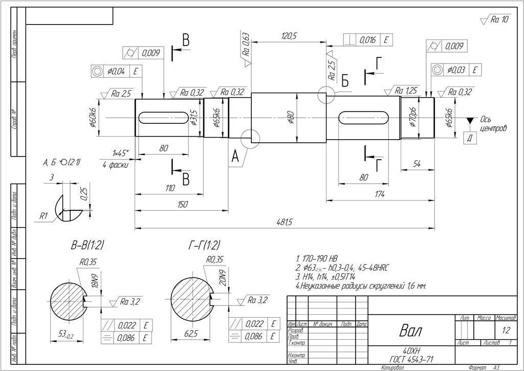
1. Как называется деталь, изображенная на чертеже?
2. В каком масштабе выполнен чертеж?
3. Какие виды детали даны на чертеже?
4. Каковы габаритные размеры детали?
5. Из какого материала должна быть изготовлена деталь?
6. Какова форма отдельных частей детали? Каковы их размеры и допуски на них?
7. Какая должна быть шероховатость поверхностей детали?
8. Какие технические условия должны быть соблюдены при обработке детали?
Приложения:

Ответы
Ответ дал:
1
Ответ:
1. вал
2. 1:2
3.вид спереди
4. 481,5х80х80
5.сталь 40хн гГОСТ4543-71
6. Части детали слева направо:
1) 110х60х60 к6
2) 40х61,5х61,5 (на чертеже этот размер ошибочно указан, как 31,5)
3) 37х65х65 к6
4) 120,5х80х80
5) 120х70х70 р6
6) 54х65х65 к6
(Не уверена, что правильно указала допуски)
7. 1) 2,5; 2) 0,32; 3) 0,32; 4) 0,63 и 2,5; 5) 1,25; 6) 0,32.
8) Не могу ответить.
Вас заинтересует
2 года назад
2 года назад
2 года назад
7 лет назад
7 лет назад
9 лет назад