Построить вид слева. Выполнить аксонометрию

Приложения:

Ответы

Ответ дал: RTA1414
1

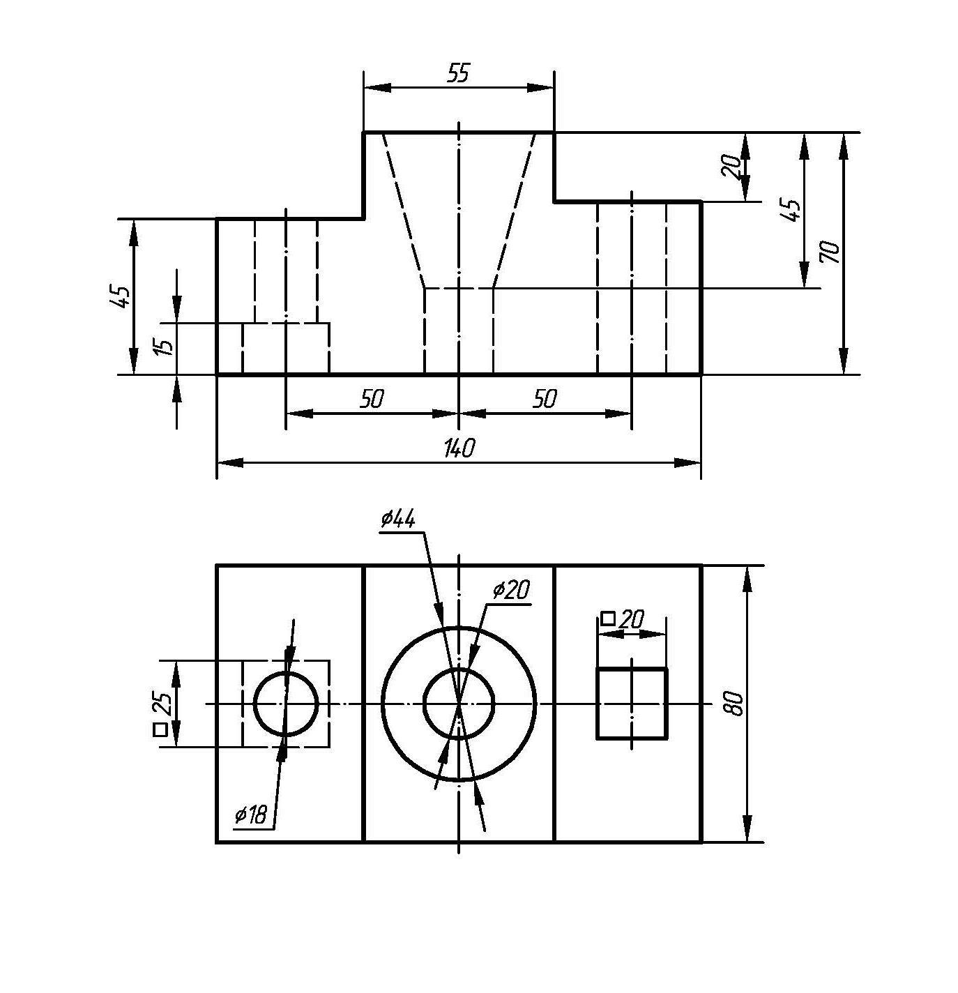
Ответ: Построение чертежа из трёх проекций

и изометрию см.на фото.

Объяснение:

    Для более полного понимания формы детали считаю необходимым выполнение фронтального разреза. В этом случае размеры внутренних отверстий легко проставить на виде спереди.

   На виде спереди есть лишний вертикальный размер: 20 мм. В связи с этим число размеров на один меньше, чем на исходном чертеже.

   Изометрия детали представляет собой довольно простое построение, если не выполнять все невидимые контуры. Думаю, что дополнительно будет задание вырезать четверть детали, тогда точно придётся строить невидимый контур отверстий.

 Надеюсь, что помогла вам.

Третий файл - изометрия с вырезом четверти детали.

Обратите внимание на построение овалов в нужных горизонтальных плоскостях и на штриховку сечений.

Слева, в плоскости ХZ, штриховка должна быть перпендикулярна оси У, а справа, в плоскости УZ, штриховка перпендикулярна оси Х. Желаю удачи.

Приложения:

kiryanowvalerij: Можете еще сделать о чем вы говорите
Вас заинтересует