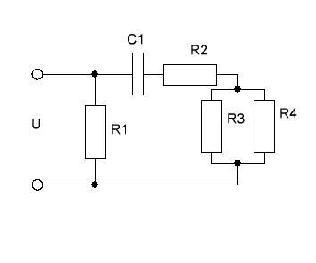
Задача: Определить мощность, потребляемую цепью постоянного тока, если R1=5 Ом, R2=10 Ом, R3=15 Ом, R4=18 Ом, С1=10 мкФ, U=12 В.
помогите пожалуйста срочно нужно полное и понятное решение за срочность
даю макс балов
Приложения:

Ответы
Ответ дал:
1
Ответ:
Объяснение:
1)
Конденсатор в цепи ПОСТОЯННОГО тока представляет разрыв цепи.
Поэтому в схеме остается только резистор R₁.
2)
Ток через резистор R₁:
I = U / R₁ = 12 / 5 = 2,4 А
3)
Мощность:
P = I·U = 2,4·12 ≈ 29 Вт
AndreyShaev:
на листке с переводом формулами и дано
Вас заинтересует
2 года назад
2 года назад
2 года назад
2 года назад
7 лет назад
7 лет назад
9 лет назад