• Предмет: Физика
  • Автор: KennyLans
  • Вопрос задан 3 года назад

Задание во вложении......​

Приложения:

Ответы

Ответ дал: DedStar
1

Ответ:

Объяснение:

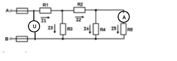
Задача 8

Резисторы R₄ и R₅ соединены параллельно, поэтому:

R₄₅ = R₄·R₅ / (R₄+R₅) = 3·6 / (3+6) = 2 Ом

Резисторы R₂ и R₄₅ соединены последовательно, поэтому:

R₂₄₅ = R₂+R₄₅ = 4 + 2 = 6 Ом

Далее:

Резисторы R₃ и R₂₄₅ соединены параллельно, поэтому:

R₃₂₄₅ = R₃·R₂₄₅ / (R₃+R₂₄₅) = 12·6 / (12+6) = 4 Ом

И, наконец,

Rэкв = R₁ + R₃₂₄₅ = 2 + 4 = 6 Ом

"Раскручиваем" схему в обратном направлении:

I = I₁ = U / Rэкв = 100 / 6 ≈ 17 A

U₁ = I₁·R₁ = 17·2 = 34 В

U₃₂₄₅ = U - U₁ = 100- 34 = 66 В

I₃ = U₃₂₄₅ / R₃ = 66/12 ≈ 6 А

I₂₄₅ = I - I₃ = 17 - 6 = 11 А

U₂ = I₂₄₅·R₂ = 11·4 = 44 В

U₄₅ = U₂₄₅ - U₂ = 66 - 44 = 22 В

I₄ = U₄₅/R₄ = 22 / 3 ≈7 F

I₅ = 22 / 6 ≈ 4 A

Приложения:

KennyLans: Спасибо Вам большое ещё раз! :))
Вас заинтересует