ЧЕРЧЕНИЕ Помогите пожалуйста, нужно выполнить чертеж с исправлением допущенных на нем ошибок, очень срочно!Спасибо!
Приложения:

Ответы
Ответ дал:
2
Ответ:
Объяснение:
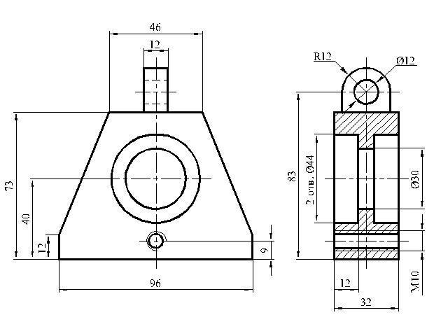
1. На главном виде добавила к отверстию М10 окружность без 1/4 - обозначение резьбы.
2. На главном виде убрала размер Ф12, т.к. размеры не указывают по невидимым линиям - перенесла на вид слева.
3. Вид слева немного исправила - смотрите внимательно (в верхней части детали убрала штриховку и добавила в середине детали вертикальные линии)
Удачи Вам!
Приложения:

artem199992:
Спасибо вам большое!
Вас заинтересует
2 года назад
2 года назад
2 года назад
2 года назад
7 лет назад
9 лет назад
9 лет назад