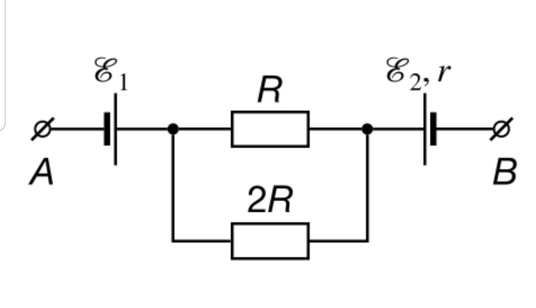
Для участка цепи AB, схема которого приведена на рисунке, найдите ЭДС Eэкв и внутреннее сопротивление rэквrэкв эквивалентного источника, которым можно заменить этот участок.
R=900 Ом, r=50 Ом, E1=9 В, E2=12 В. Ответы выразите в вольтах и омах, округлите до целых чисел. В первое поле введите экв, во второе — rэкв.
Приложения:

Ответы
Ответ дал:
4
Ответ:
1) 3 В;
2) 650 Ом.
Объяснение:
Эквивалентная ЭДС получится сложением ЭДС, действующих в данной цепи с учетом направления:
ξэкв=ξ1-ξ2=9-12=-3В, знак минус означает, что точка А будет иметь более высокий потенциал, чем точка В.
Эквивалентное внутреннее сопротивление найдем как общее сопротивление цепи:
Rэкв=r+R*2R/(R+2R)=50+2/3*900=650 Ом.
dan53285:
Спасибо
Вас заинтересует
2 года назад
2 года назад
7 лет назад
7 лет назад
9 лет назад