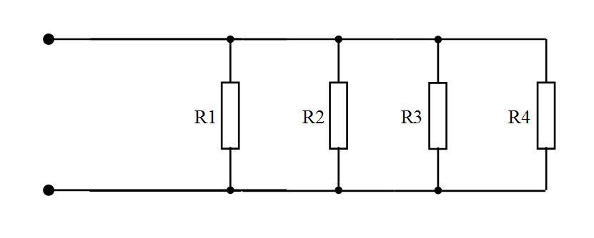
Какое электрическое сопротивление имеет цепь, составленная из четырёх параллельно соединённых одинаковых резисторов по 100 Ом каждый?
Ответы
Ответ дал:
2
Ответ:
25 Ом
Объяснение:
Решение на фотографии.
Сначала находим обратную величину по формуле для параллельного соединения, затем переворачиваем дробь.
Приложения:

Coolmichailo:
Слушай, можешь дано записать
Ответ дал:
1
При параллельном соединении резисторов общая проводимость участка цепи:
1/R = 1/R₁ + 1/R₂ + ... + 1/Rₓ
Для 4-х одинаковых резисторов по 100 Ом каждый:
1/R = 1/100 + 1/100 + 1/100 + 1/100 = 4/100 = 1/25
Сопротивление цепи в таком случае:
R = 25 (Ом)
Приложения:

Вас заинтересует
2 года назад
2 года назад
2 года назад
9 лет назад