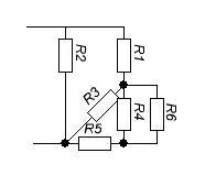
В представленной схеме показание амперметра равно 1 А. R1 = 6 Ом; R2 = R3 = 10 Ом; R4 = R6 = 2 Ом; R5 = 4 Ом. Определить общее напряжение.
Приложения:

Ответы
Ответ дал:
1
Ответ:
28 Вольт
Объяснение:
U4=U6 = I6*R6 = 1*2 = 2 B
I4 = U4/R4 = 2/2 = 1 A
I5= I6+I4 = 1+1=2A
U5 = I5*R5 = 2*4 = 8 B
U3=U5+U4 = 8+2 = 10 B
I3 = U3 / R3 = 10/ 10 = 1 A
I1=I3+I5 = 1+2 = 3 A
U1=I1*R1 = 3* 6 = 18 B
U = U1+U3 = 18+10 = 28 Вольт
Приложения:

bakhlish:
Мог бы эквивалентную схему нарисовать?
Вас заинтересует
2 года назад
2 года назад
2 года назад
7 лет назад
9 лет назад