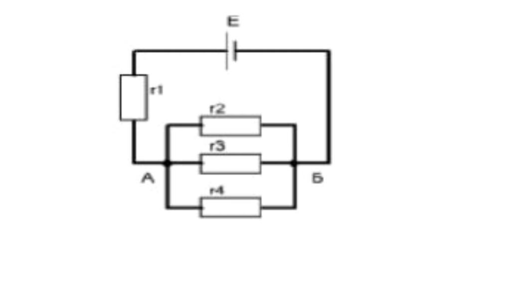
Задача по электротехники. Определить токи и напряжения в электрической цепи, изображенной на рисунке, при следующих ее данных: Е = 2 в; R0 = 0,5 ом; R1 = 3,5 ом; R2 = 5 ом; R3 = 100 ом; R4 =25 ом.
Приложения:

fatgklgkj:
токи- это сита тока? и ещё Е=2 в это ЭДС?
Ответы
Ответ дал:
3
Ответ:
Uаб=1 В
I1= 0,25A
I2=0,2 A
I3=0,01 A
I4=0,04 A
Объяснение:
я это ещё не проходил но мой друг мне помог, так что этот пример был для меня хорошим опытом. За это спасибо
Приложения:

Вас заинтересует
2 года назад
2 года назад
7 лет назад
9 лет назад