• Предмет: Физика
  • Автор: savenkov008
  • Вопрос задан 3 года назад

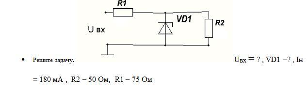
Задача по физике, найти Uвх, VD1

Приложения:

Ответы

Ответ дал: Leon8634
1

Ответ:

Д818А

23,25 В

Объяснение:

Ток Iн=180 мА течет через нагрузку, сопротивлением R₂=50 Ом и вызывает на ней падение напряжения U=Iн*R₂=0.18*50=9 Вольт. Подберем стабилитрон с напряжением стабилизации 9 вольт. Нам подойдет, например, Д818А. В его характеристике указан ток стабилизации 10 мА, этот ток будет ответвляться в стабилитрон и складывать с током нагрузки, т.е. общий ток будет равен I=Iстаб+Iн=0,01+0,18=0,19 А. Этот же ток течет через балласт R₁=75 Ом, вызывая в нем падение напряжения U₁=IR₁=0.19*75=14.25 Вольт. Входное напряжение представляет собой сумму падения напряжения на балласте и напряжения стабилизации, то есть Uвх=U₁+Uстаб=14,25+9=23,25 В.


savenkov008: Не выбран стабилитрон (тип) поэтому не учтен ток через него. Через R1 течет ток стабилитрона и нагрузки. Задача решена не верно (комм от преподавателя)
savenkov008: Если понятно, где ошибка исправьте пожалуйста
Leon8634: Преподаватель не указал тип стабилитрона или предоставил вам выбрать любой по усмотрению?
Leon8634: Понял в принципе, 1) Определим напряжение на нагрузке U2=Iн*R2=0.18*50=9 Вольт, стабилитрон должен быть на 9 вольт, например Д818А, для него ток стабилизации 10 мА, с учетом этого общий ток I=Iн+Iстаб=0,18+0,01=0,19 А
Leon8634: На баласте R1 падает напряжение U1=R1I=75*0.19=14.25 В
Leon8634: Тогда входное напряжение Uвх=Uстаб+U1=9+14.25=23.25 В
Ответ: Д818А, 23,25 В
Leon8634: Если что еще будет спрашивать ваш препод, пишите сюда в комментарии, помогу чем смогу, т.к. это мой косяк, не заметил Iн там сбоку скрина и подумал что речь идет об входном токе.
savenkov008: Жду ответа преподавателя, до этого написал что больше не будети принимать, но все равно отправил
Leon8634: Просьба отметить мой ответ как нарушение с комментарием "Неточность в решении, отправьте на исправление" если вам не сложно
Leon8634: Спасибо
Вас заинтересует