• Предмет: Физика
  • Автор: nahaevanton2
  • Вопрос задан 3 года назад

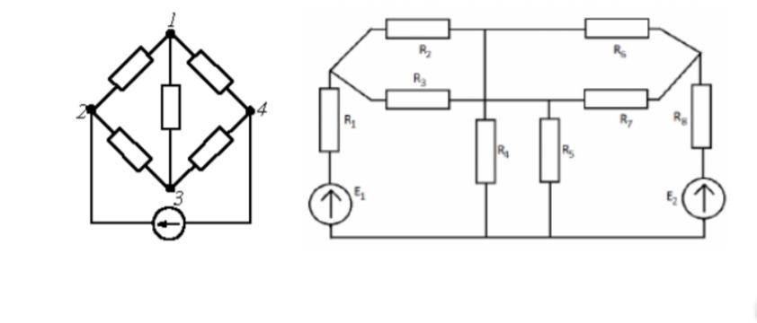
Найдите количество узлов, ветвей и контуров в цепи на рисунке. , Какое минимальное количество законов Кирхгофа надо записать, чтобы успешно рассчитать данную цепь?

Приложения:

Ответы

Ответ дал: Dedagenn
0

Ответ:

рис1: у=4, в=6, независимых к=6-4+1=3, уравнений 3+3=6;

рис2: у=5, в=7, к=7-5+1=3, уравнений 5-1+3=7


nahaevanton2: как на втором рис 3 контура
nahaevanton2: их там пять вроде
Вас заинтересует