• Предмет: Физика
  • Автор: kamoptimus2007
  • Вопрос задан 3 года назад

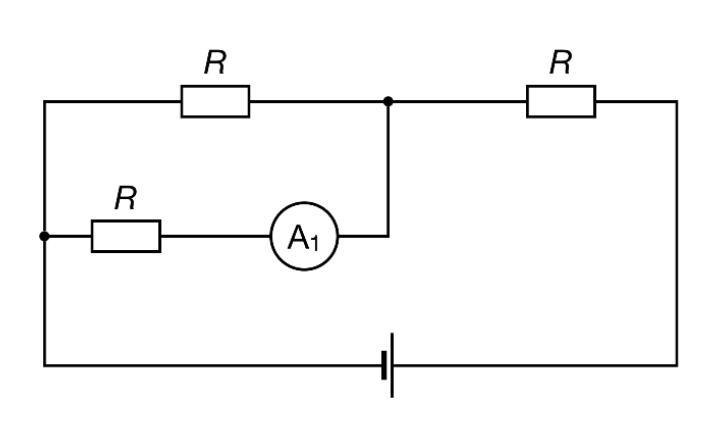
Помогите! В цепь, содержащую три одинаковых резистора с сопротивлением 100 Ом и идеальную батарейку, подключили амперметр, как показано на рисунке. При каком максимальном собственном сопротивлении амперметр можно считать идеальным? Идеальным амперметром в данном случае будем считать прибор, который изменяет ток на последовательно подключенном к нему резисторе не более чем на 2 %. Ответ выразите в омах, округлите до десятых. Приборной погрешностью можно пренебречь.

Вообще не понимаю задачу. Помогите! Буду очень благодарен.

Приложения:

Ответы

Ответ дал: mic61
0

Ответ:

Сопротивлениа амперметра должно быть не более 4.1 Ом

Объяснение:

При отсутствии амперметра ток по парллельным ветвям распределится точно пополам (50% на 50% относительно тока в общей части цепи). При наличии амперметра в нижней (по схеме) ветви, равное распределение нарушится. В ветви с амперметром ток будет меньше, т.к. к резистору добавится сопротивление прибора.

В ветвь с амперметром попадет уже не 50% (0,5 в относительных единицах - о.е.) общего тока, а меньше. Сколько? Обозначим через х, о.е. ту часть тока, которая распределится в ветвь с амперметром, тогда можно записать следующее соотношение:

(0,5-x)/0,5≤0,02, где

0,5 - "количество тока" в ветви при отсутствии амперметра

х - "количество тока" в ветви при наличии амперметра

0.02 - о.е. (те самые "не более 2 %")

Решаем:

0,5-x≤0,01

-x≤0,01-0,5

x≥0,49

Т.е. в ветвь с амперметром распределится 49% общего тока, а в верхнюю (по схеме) ветвь 100-49=51%.

Вспомним, как вычисляются токи в параллельных ветвях при известном токе в общей части цепи:

I₁=I₀*(R₂+r)/(R₁+R₂+r) (см. рис)

(R₂+r)/(R₁+R₂+r) - вот этот коэффициент мы уже рассчитали. Он равен 0,51 (или 51% от I₀). Обозначим (R₂+r) через y, Ом, и запишем:

у/(100+y)=0,51;

y=51+0,51y;

y-0,51y=51;

0,49y=51;

y=51/0,49;

y=104,08 (Ом)

Сопротивление амперметра r, Ом равно:

r=y-100;

r=104,08-100=4,08≅4,1 Ом.

Приложения:
Вас заинтересует