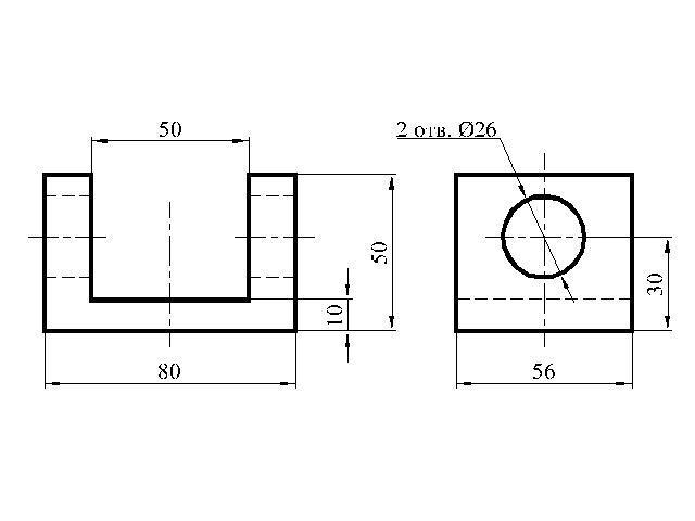
задание: по аксонометрической проекции предмета постройте чертеж в необходимом количестве видов опора сталь Срочно помогите начертить!
Приложения:

Ответы
Ответ дал:
1
Ответ:
Объяснение:
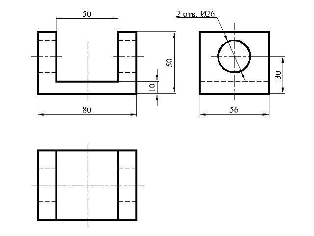
Достаточно двух видов: главный вид (спереди) и вид слева
На втором чертеже, на всякий случай, начертила вид сверху.
Приложения:


Вас заинтересует
2 года назад
2 года назад
2 года назад
2 года назад
7 лет назад
7 лет назад
9 лет назад