Задание "Виды"
на основании исходного изображения выполнить главные виды,
при необходимости выполнить дополнительные виды, соблюдая
проекционные связи.
Проставить исполнительные размеры, рационально распределив их
по всем видам.
Приложения:
Ответы
Ответ дал:
0
Ответ:
Объяснение:
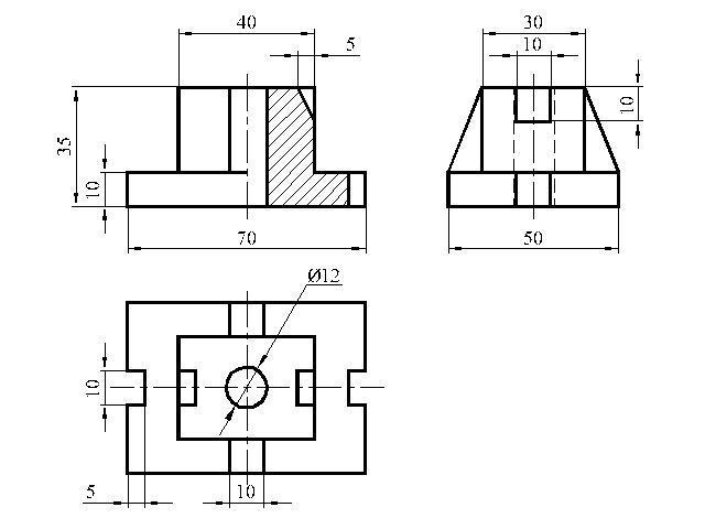
Главный вид выполнила, соединив 1/2 вида + 1/2 фронтального разреза.
Приложения:
Вас заинтересует
2 года назад
2 года назад
2 года назад
8 лет назад
8 лет назад
9 лет назад
9 лет назад