• Предмет: Физика
  • Автор: kpishniklol
  • Вопрос задан 3 года назад

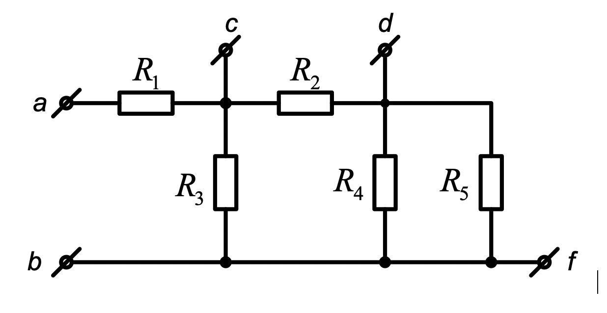
Найти эквивалентное cопротивление цепи относительно зажимов
1) a и b
2)c и d
3)d и f

Приложения:

Ответы

Ответ дал: danil198050
0

либо a и b или d и f по на провинцию


kpishniklol: ну задание звучало из сборника как "1. Для круга, показанного на рис. 1 известно (числа ...) Найти еквивалентиний сопротивление цепи относительно зажимов: 1) a и b; 2) c и d; 3) d и f."
Вас заинтересует