Ответы
Ответ дал:
1
Ответ:
Объяснение:
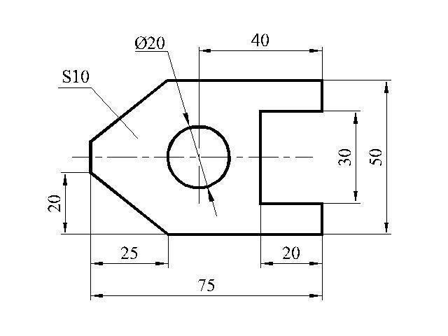
В Вашем задании не видно толщины детали, взяла 10 мм - проверьте.
Для плоских фигур три вида не чертят - см. первый чертеж.
Обозначение S10 говорит, что толщина детали = 10 мм.
На втором чертеже, на всякий случай начертила три вида.
Приложения:


271984:
Помогите пожалуйста новое задание
Вас заинтересует
2 года назад
2 года назад
2 года назад
2 года назад
7 лет назад
9 лет назад
9 лет назад