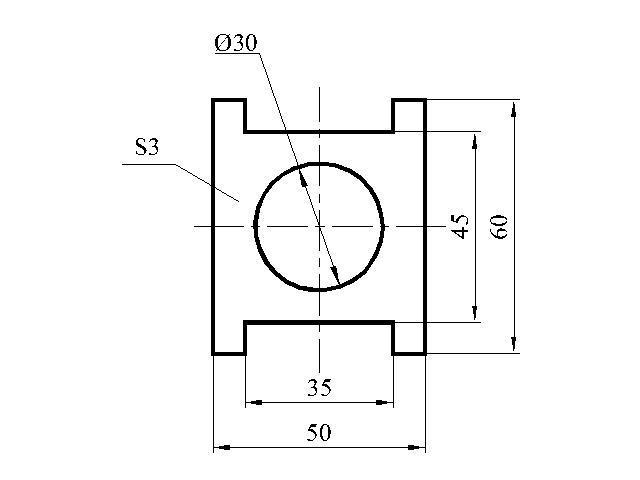
Постройте полное изображение прокладки в масштабе 2:1. Нанесите размеры. ​

Приложения:

Ответы

Ответ дал: Букса
3

Ответ:

Объяснение:

Чертить нужно по размерам, увеличенным  в два раза, а вот указывать на чертеже нужно натуральный размер, без увеличения.

Приложения:
Вас заинтересует