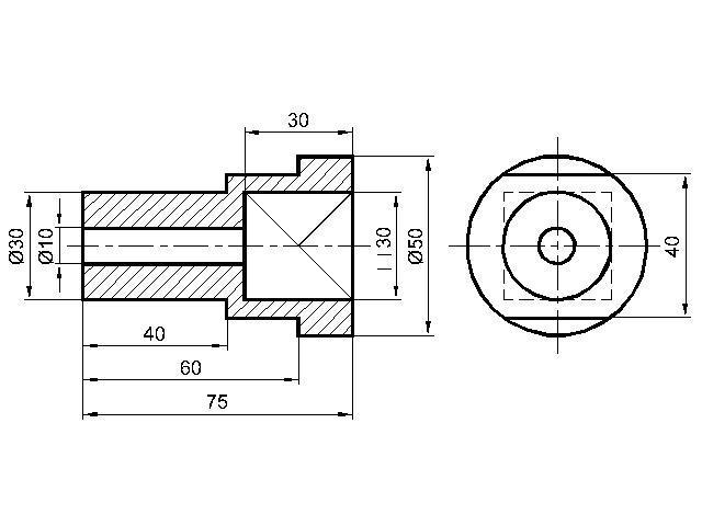
Перечертите главный вид детали и постройте вид слева. Выполнить целесообразный разрез. На чертеже нанесите размеры. Втулка. Сталь
Приложения:
Ответы
Ответ дал:
3
Ответ:
Объяснение:
+++++++++++++++++++++++++++
Приложения:
baktygulovagulmira:
спасибо
Удачи!
Вас заинтересует
2 года назад
2 года назад
2 года назад
2 года назад
8 лет назад
8 лет назад
9 лет назад
9 лет назад