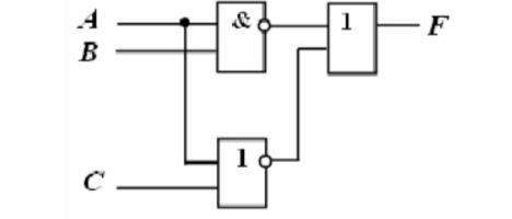
Прошу, помогите пожалуйста построить таблицу истинности, которая будет соответствовать данной логической схеме.
Приложения:

Ответы
Ответ дал:
1
Ответ:
Привет)
Решение во вложении, будут вопросы, задавай)
Если не сложно, отметь пожалуйста как лучший ответ))
Объяснение:
Приложения:

Вас заинтересует
2 года назад
2 года назад
2 года назад
7 лет назад
9 лет назад
9 лет назад