• Предмет: Информатика
  • Автор: macs18072002
  • Вопрос задан 3 года назад

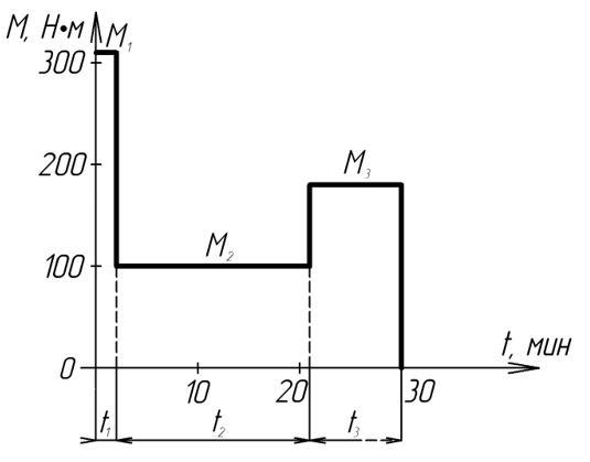
Помогите построить таблицу для гистограммы в exel, по рисунку. 100 балов

Приложения:

Ответы

Ответ дал: nommyde
1

Ответ:

как вариант вставить точечную диаграмму с прямыми отрезками

Объяснение:

только придётся вводить по две пары координат для каждого M

Приложения:
Ответ дал: indiragal7796
0

Ответ:

Мне тоже надо было спасибо за ответ

Вас заинтересует