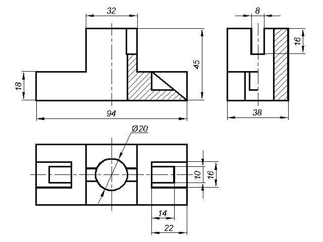
Нужно изобразить деталь в трёх видах, желательно в размерах! И выполнить разрезы, помогите пожалуйста!
Приложения:

Ответы
Ответ дал:
3
Ответ:
Объяснение:
На втором чертеже, на всякий случай, сделала 1/2 вида слева + 1/2 профильного разреза.
Приложения:



uyra42344:
Спасибо огромное!
Вас заинтересует
2 года назад
2 года назад
2 года назад
7 лет назад
7 лет назад
9 лет назад